電磁型加振器システム F4/Z820WA
モデルF4加振器はダイナミックフォースを発生するリアクション型加振器で、振動研究や試験のためサンプルへ振動を与えます。その動作原理やコンパクトで軽量な構造により、取付け方向を選ばず、外部サポートが不要、シャフトアラインメントなどを気にせず使用できるなどの特長があります。
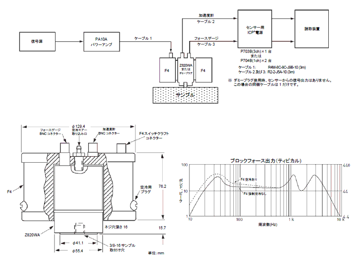
F4電磁型加振器は、Z820WAインピーダンスヘッドを取り囲むように設計されています。F4 の比較的軽量なコイルとボビンはインピーダンスヘッドへ強固に取付けられており、重量のある円柱状マグネットは2 つのゴム製ダイヤフラムにより吊られた状態になっています。試験構造物に加えられるダイナミック重量は、システムの共振周波数である40Hz以上で、ゴムの吊り重量が振動コアの軸方向や回転方向の慣性に影響を与えないため比較的低くなっています。F4はオーバーヒートを避け長時間にわたって高いパワーレベルで動作するよう強制空冷の機能を持たせることができます。
F4は可聴周波数範囲で広く使えるよう設計されています。加速度センサーとフォースゲージを組み込んだZ820WAインピーダンスヘッド付きはモデルF4/Z820WA、またはインピーダンスヘッドが不要な場合は、ダミープラグ付きモデルF4/DPLUGとなり、このインピーダンスヘッドやダミープラグを通してサンプルへ振動を与えます。
モデルZ820WAインピーダンスヘッドは円柱状構造になっており、圧電型加速度センサーとフォースゲージを内蔵しています。このトランスデューサーは与えられたフォースや構造上の動きを測定するために使用されますが、これらの測定により機械インピーダンスを得ることができます。圧電型フォースゲージと加速度センサーからの高いインピーダンス電荷信号は、ピエゾFET®ローノイズ・チャージアンプにより内部で増幅されますが、それぞれのアンプは定電流DC電源供給が必要となります。


