iT301ユーザー構成可能 トランスミッター・シグナルコンディショナー

it100

ウィルコクソンの新製品インテリジャントトランスミッターは、ダイナミック振動信号を測定し処理します。iT301 は、豊富な入力信号オプション、幅広い周波数応答、選択可能なバンドフィルターやセンサータイプ、及びフレキシブルな出力マッピングのオプションなどで、プロセス制御やモニタリングに最適化されています。

このトランスミッターはMODBUS/RS485 で通信でき、またフィールドでの効率的なユーザー構成のためのウェブサーバーのインターフェイスがビルトインされています。


iT301

認定

CEマーク

iT301ユーザー構成可能 トランスミッター・シグナルコンディショナー 仕様

型 番 iT301

特長

・加速度センサー、圧電速度センサー、加速度+温度センサー入力可
・入力信号を独立した2系統の処理バンドに分離
・センサーバンド、出力バイアス電圧、信号真ピーク、温度などをリアルタイムで測定
・ビルドインのウェブブラウザーによりバンド幅や検知タイプのカスタム構成可能
・ハイパス/ローパスアラームを一つのNC/NOリレーにマッピング可能
・構成は保存可能で呼び出しも簡単
・選択可能な速度範囲
・Modbus-TCPまたはRS485プロトコル使用で通信
・ISO9001認定工場で製造

入力

センサータイプ IEPE 加速度センサー(加速度+温度デュアルも可)、圧電速度センサー
IEPE 電源 +24VDC, 4.5mA, enable/disable
感度範囲 加速度:9~11,000mV/g 速度:9~11,000mV/in/sec 温度:10mV/℃(オプション10mV/ °K)
最大ダイナミック信号 ±10VAC
周波数応答 0.2 ~ 20kHz (-3dB, -0.1dB)
単位 インチまたはメトリック

解析

Fmax 200 ~ 20,000Hz (1, 2, 5 シーケンス内)
FFT 解像度 固定1,600 ライン、Fmax に応じてバンド幅変更
ウィンドウ ハニング
ダイナミックレンジ >90dB

バンドプロセシング

振動バンド1, 2 個別に構成可能 センサーユニットまたは単積分
低周波* ≧ Fmin、ユーザー選択Fmax に基づく
高周波* ≦ Fmax
RMS, ピークまたはP-P (*Fmax ≧ Fmin)

測定

バンド1 及び2 振動結果構成
真ピークバンド 真ピークディテクター、10Hz ~ 25kHz
出力バイアス電圧(BOV) センサーの出力バイアス電圧を測定(VDC)
ADC サンプリングレート、深度 48kbps, 24 ビット
信号対ノイズ比 >90dB

バンド処理

振動バンド1 測定タイプ:加速度、速度、変位
センサータイプと積分設定による
下限周波数リミット:0.2Hz~20Hz
上限周波数リミット:200Hz~20,000Hz
検知タイプ:RMS, ピーク, P-P
振動バンド2 測定タイプ:加速度、速度、変位
センサータイプと積分設定による
下限周波数リミット:0.2Hz~20Hz
上限周波数リミット:200Hz~20,000Hz
検知タイプ:RMS, ピーク, P-P
温度入力 786T 及び787T センサーからの温度測定
真ピークバンド 真ピーク加速度または速度:センサータイプによる

出力

4-20mA アナログ出力(×2) 内部供給0mA ? 20mA, 15VDC
最大ループ抵抗 500Ω
バッファーダイナミック出力 振動:DC カプル、ネジターミナル及びBNC
温度:DC カプル、ネジターミナル
パワーバス 4 A max:DIN レールマウント可能T-bus コネクターで複数のiT300 モジュールへパワーバス

環境

温度範囲 動作:-40℃~+70℃、保管:-40℃~+85℃
電源 11~32VDC, 350mA max
絶縁 500VAC
コネクタータイプ ネジターミナル、14~24AWG
取付け 35mm DIN レール

ネットワーク

IP アドレス
サブネットマスク
デフォールトゲートウェイ
工場設定:192.168.0.100
工場設定:255.255.255.0
工場設定:192.168.0.1

アクセス

ブラウザーサポート マイクロソフトインターネットエクスプローラー
Mozilla Firefox
Google Chrome
ログイン認証 ユーザー名:user (デフォールト)
パスワード:admin (デフォールト)
ファイアーウェアアップグレード ウェブサーバー経由

表示

パワーLED (緑) 点灯:ノーマル状態
点滅:テストモード
オフ:電源供給なし
エラーLED (赤) 点灯:センサーまたはハードウェア不良
点滅:4-20mA ループ不良
オフ:ノーマル状態

※継続的なリサーチや製品開発のため、予告なしに仕様を変更することがあります。

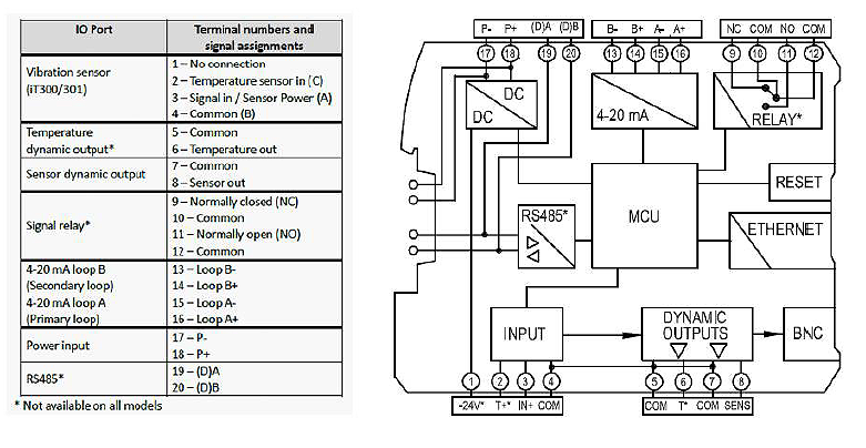
ブロックダイアグラムと接続

iT301ブロックダイアグラムと接続

寸法

iT301寸法

iTシリーズ メインメニュー