iT300ユーザー構成可能 トランスミッター・シグナルコンディショナー
iT300 トランスミッターを使用すれば、標準振動センサーをPLC やDCS、またはSCADAシステムに簡単に取り付けることができます。加速度センサーや圧電速度センサー、またはデュアル出力センサーからの信号で測定します。入力回路は広い周波数応答をもち0.2Hz から20kHz までの信号を測定できます。
このトランスミッターは、2 つの4-20mA アナログ出力までのフレキシブルなマッピング付きの2 つの独立した処理バンドをもっています。処理チャンネルは選択可能積分機能を含んでおり、加速度センサーからの入力を加速度または速度として出力します。選択可能なバンドフィルターとディテクターのタイプ(RMS、ピーク)により、特定の機械や用途に応じて簡単に適合させることができます。
トランスミッターは断続的に測定を行い、構成可能な振動バンド、真ピーク検知バンド、温度入力、及びセンサーのバイアス出力電圧(BOV)を処理します。バンドの結果は2つの4-20mAアナログ出力にマップされ、これにより数多くのユニークな処理オプションができます。
- 加速度+ 温度センサー:786T (加速度+ 温度センサー) からの振動信号は、加速度または積分と処理により速度として処理され、それぞれ4-20mA出力にマップされます。
または同等のIEPEセンサーからの振動信号が処理され、加速度、速度、または両方として処理されます。この場合センサー+ トランスミッターは加速度センサーと圧電速度センサーとして同時に動作します。 - 圧電速度センサー:793Vまたは同等のIEPE圧電速度センサーからの振動信号は、速度、変位、または両方として処理されます。
- 低周波加速度センサー:iT300振動トランスミッターは超低周波の測定用に構成されます。100Hzまでを最大測定周波数に設定することで、振動トランスミッターは周波数0.2Hzまでを効果的に測定します。
4-20mAアナログ出力も個々に構成できます。フルスケール範囲と周波数バンドのカスタマイズやテストモードも構成できます。
PCやコンパチブルなブラウザーを使って、トランスミッター内部のウェブサーバーにアクセスすることで、トランスミッターの構成を変更できます。構成はPCに保存でき、また複数のトランスミッターへ簡単に複製でき、これらは構成目的にも使用できます。
ウェブサーバーにアクセスするためには、トランスミッターのフロント部にある構成ポートとPC間で、イーサネットケーブルを使って接続します。ブラウザーを開けて、トランスミッターのIPアドレスを入力しますが、これはデフォールトで192.168.0.100となっています。
確認のためにトランスミッターの測定パラメーターが、構成や管理用の追加ブラウザタブ付きで表示されます。有資格者への構成アクセスを制限するため、簡単な認証が行われ、トランスミッターのIPアドレス、サブネットマスク、デフォールトのゲートウェイ、及びログイン資格などはウェブブラウザーから変更できます。
また、簡単なドキュメント作成や各トランスミッターが機能するよう、ロケーションのパラメーター、マシンID、マシン名、及び測定ポイントを利用できます。
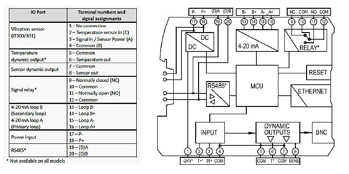
iT300には、電源、センサー、データ収集機、処理されていないセンサーからのダイナミック信号のオンラインモニタリング、また4-20mA出力との接続が可能です。フロントパネルにあるLED表示器により、トランスミッターの動作状況を確認できます。工場設定に戻せるようにプッシュボタンがあり、ログイン認証またはIPアドレスを失くした場合に便利な機能です。
iT300トランスミッターに組み込まれた構成フレキシビリティで可能性は無限大です。近日中にはリレー組み込み型や、MODBUSシリアル、またTCP工業通信バス対応のモデルもリリース予定です。



